Determine the Electrical Resistivity of a Material

Equipment

  •   1m long constantan (copper–nickel alloy) wire 
  • Voltmeter 
  • Ammeter 
  • Low voltage power supply 
  • Micrometer  
  • Metre ruler

Method

1. Measure the diameter of the constantan wire at 3 points along its length using the micrometer, and calculate the mean diameter. 

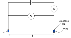
2. Set up the apparatus as shown in the diagram. 

3. Adjust length l to 10 cm using the crocodile clips and metre ruler. 

4. Read and record the current (I) on the ammeter and the voltage (V) on the voltmeter. Calculate the resistance (R) by using R=V/I and record this value. 

5. Switch the circuit off in between readings to prevent heating of components which could affect their resistance. 

6. Increase l by 10 cm and repeat the above two steps, increasing l by 10 cm each time, up to 80 cm. 

7. Repeat the experiment twice more, then calculate the mean resistance for each length.

diagram

Calculations

  • Calculate the cross sectional area of the wire by using A = where d is the wire’s πd2/4average diameter.
  • Plot a graph of the mean resistance against length and draw a line of best fit - the resistivity will be the gradient multiplied by the cross-sectional area of the wire.
  • ρ = RA/I then divide through by A to find . R/L        ρ/A
  • R/L is the gradient of the graph hence resistivity is found by the gradient multiplied by the cross sectional area.

Safety

  • Disconnect the crocodile clips in between measurements to avoid the wire heating up and causing burns if touched. If the current rises too high, reduce the voltage using the variable power supply. 
  • If the wire is taut, safety goggles should be worn in case it snaps.

Notes

  • The wire heating up might additionally cause the resistance of the wire to change, affecting measurements. To reduce this, disconnect it in between measurements or reduce the voltage of the supply so the current is lower. 
  • The wire should be free from kinks and held taut so the measurement of the length is as accurate as possible.